開關19C系列旨在滿足現代工業的多樣化需求。該開關的安裝孔直徑為19mm,可在各種應用中提供無縫性能和卓越的耐用性。
參數

備注
*瞬時開關是指您按住開關將其打開。當您松開開關時,它將關閉。
*閉鎖開關是當你按下開關打開它時。當你再次按下開關關閉它時。
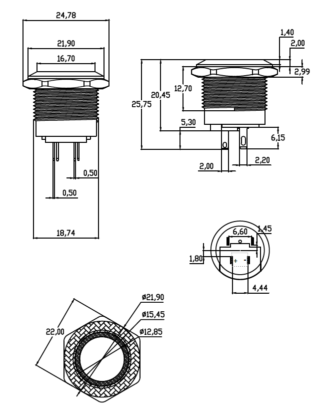
開關19C系列圖紙

特性
1.開關19C系列采用不銹鋼、鍍鎳黃銅和氧化鋁等優質材料制成,可承受工業環境的嚴酷考驗。無論是重型機械還是精密儀器,這款開關都能在苛刻的條件下表現出色,確保可靠運行和長壽命。
2.開關19C系列的主要亮點之一是其觸點結構,具有1NO配置。這確保了高效和一致的電氣連接,使其成為關鍵控制和配電應用的理想選擇。該系列開關電流為2A,可提供支持各種電氣負載所需的性能,有助于無縫操作和增強安全性。
接線服務
我們提供焊接接線服務,您需要向我們發送接線圖,我們將根據您的接線圖焊接電線。